SKF Bearing Professional After-sales Guarantee Easy And Secure Payment SY 1.7/16 TF/VA201 Transparent And Fair Price On Time Delivery
SKF SY 1.7/16 TF/VA201 Bearing Description
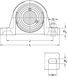
We supply various of SKF SY 1.7/16 TF/VA201 bearings. bearings is purity material and high precision , the varieties of SKF bearings is up to thousands of species .SKF SY 1.7/16 TF/VA201 bearings is known as ” the food of machinery industry” and widely used in different environment and mechanical.The purpose of SKF SY 1.7/16 TF/VA201 bearings is the operation and control. In order to ensure the smooth operation and normally rotation,SKF SY 1.7/16 TF/VA201 bearings inquire deeply into the running of the machine and friction phenomenon .SKF SY 1.7/16 TF/VA201 bearings is widely used in automobile, motor, gear, injection molding machines, machine tools, mining machinery, engineering machinery, motorcycles, office equipment, paper making machinery, pumps and compressors, wind power generator and so on.The shipment of SKF SY 1.7/16 TF/VA201 bearings will be arranged timely for we have a large stock of SKF SY 1.7/16 TF/VA201 bearings in HongKong.

Reviews
There are no reviews yet.