FAG Bearing Professional After-sales Guarantee Easy And Secure Payment B71910-E-T-P4S Transparent And Fair Price On Time Delivery
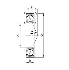
FAG B71910-E-T-P4S Bearing Description
We supply various of FAG B71910-E-T-P4S bearings. bearings is purity material and high precision , the varieties of FAG bearings is up to thousands of species .FAG B71910-E-T-P4S bearings is known as ” the food of machinery industry” and widely used in different environment and mechanical.The purpose of FAG B71910-E-T-P4S bearings is the operation and control. In order to ensure the smooth operation and normally rotation,FAG B71910-E-T-P4S bearings inquire deeply into the running of the machine and friction phenomenon .FAG B71910-E-T-P4S bearings is widely used in automobile, motor, gear, injection molding machines, machine tools, mining machinery, engineering machinery, motorcycles, office equipment, paper making machinery, pumps and compressors, wind power generator and so on.The shipment of FAG B71910-E-T-P4S bearings will be arranged timely for we have a large stock of FAG B71910-E-T-P4S bearings in HongKong.

Reviews
There are no reviews yet.