FAG Bearing Professional After-sales Guarantee Easy And Secure Payment 6312-2RSR Transparent And Fair Price On Time Delivery
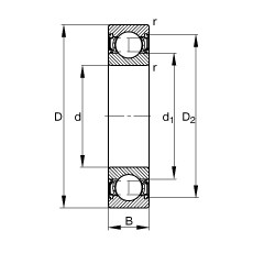
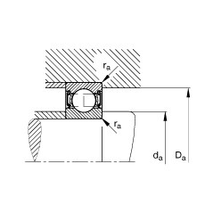
FAG 6312-2RSR Bearing Description
We supply various of FAG 6312-2RSR bearings. bearings is purity material and high precision , the varieties of FAG bearings is up to thousands of species .FAG 6312-2RSR bearings is known as ” the food of machinery industry” and widely used in different environment and mechanical.The purpose of FAG 6312-2RSR bearings is the operation and control. In order to ensure the smooth operation and normally rotation,FAG 6312-2RSR bearings inquire deeply into the running of the machine and friction phenomenon .FAG 6312-2RSR bearings is widely used in automobile, motor, gear, injection molding machines, machine tools, mining machinery, engineering machinery, motorcycles, office equipment, paper making machinery, pumps and compressors, wind power generator and so on.The shipment of FAG 6312-2RSR bearings will be arranged timely for we have a large stock of FAG 6312-2RSR bearings in HongKong.

Reviews
There are no reviews yet.